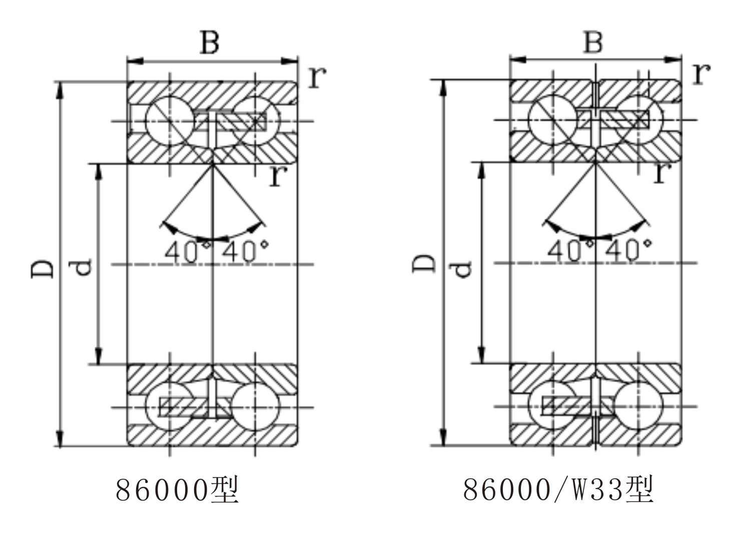
雙列角接觸球軸承與四點角接觸球軸承的結構相似同樣有雙半內圈整體外圈及雙半外圈整體內圈的結構,但不可分離。能承受較大的徑向負荷為主的徑向和軸向聯合負荷和力矩負荷,限制軸的兩方面的軸向位移。主要用于限制軸和外殼雙向軸向位移,雖然軸承可承受雙向軸向載荷,但若一側有裝球缺口時,則應注意不要讓主要軸向載荷通過有缺口的一側溝邊。在軸承使用時應注意使不帶裝球缺口的一側滾道承受主要載荷。
咨詢熱線:13861477666

3220X1D

32221X2DC

3222X3

4222X3D

4024X2D

4024D

4024X2D

4024X3DC

4024X3DC-1

4026X2D

4028X3D

4028D

4028DC

4030X3DC

4030X2D

4030X2DT

4030D

4030X3D

3230X2D

4932X2DC

4932X3DC

3032X2D

4032D

4934X3DC

4034X3D

4034X2DC

4034D

4936X3DC

4936X3D-1

4936X3D

4936X2DC

4036X3DC

4036X3DC-1

4936X3D

4936X2DC

4036X3DC

4036X3DC-1

4036X2DT

4036D

4938X3D

4938X3D

4038DC

4038D

4940X3D

4940X3D

4940X3DC

4940X3DC-1

4040X3D

4040X3DC

4040D

4944X3D

4944X3D

4044X3D

4044X2DC

4044D

4946X1D

4946X1D

4946X3

4946X3D

4048X1D

4048D

4048X3D

4952X2D

4952X3D

4952X3DC

4052D

4956X3D-1

4956X3D-1

4956X3DC

4956X3D

4956X3D

4056X3DC

4056D

4960X3D

4960X3DC

4060X2D

4060X2DC

4060D

4064X3D

4064X3D

4064D

4968X2D

4068D

4068D

4972X2D

4072X2D

4976X2D

4076X2D

4980X2D

4080X2D

4984X2D

4084X2D

4088X2D

4992X2D

4092X2D

4096X2D

49/500X2D

40/500X2D

49/530X2DC

40/530X2DC

49/560D

40/560X2D
| 查看 | 型號 | 外形尺寸 mm | 基本額定載荷KN | 計算參數 | 參考重量kg | 參考國外軸承代號 | |||||||||||||||
|---|---|---|---|---|---|---|---|---|---|---|---|---|---|---|---|---|---|---|---|---|---|
| d | D | B | T | C | H | Fw | Cr | Cor | e | Y1 | Y2 | Yo | 內圈 | 軸承 | SKF | FAG | NTN | NSK | TMKEN | ||
![]() |
3220X1D | 100 | 170 | 60.3 | 132 | 191 | 7.80 | 305397D | |||||||||||||
![]() |
32221X2DC | 105 | 190 | 79 | 173 | 240 | 10.6 | ||||||||||||||
![]() |
3222X3 | 110 | 170 | 56 | 120 | 154 | 4.90 | ||||||||||||||
![]() |
4222X3D | 110 | 200 | 83 | 178 | 260 | 12.0 | ||||||||||||||
![]() |
4024X2D | 120 | 180 | 56 | 120 | 182 | 6.00 | ||||||||||||||
![]() |
4024D | 120 | 180 | 60 | 110 | 183 | 6.10 | ||||||||||||||
![]() |
4024X2D | 120 | 190 | 66 | 145 | 220 | 7.50 | ||||||||||||||
![]() |
4024X3DC | 120 | 190 | 66 | 145 | 220 | 7.50 | ||||||||||||||
![]() |
4024X3DC-1 | 120 | 215 | 80 | 200 | 293 | 13.2 | ||||||||||||||
![]() |
4026X2D | 130 | 200 | 75 | 142 | 235 | 9.10 | ||||||||||||||
![]() |
4028X3D | 140 | 209.5 | 66 | 142 | 249 | 8.40 | ||||||||||||||
![]() |
4028D | 140 | 210 | 69 | 146 | 249 | 8.80 | ||||||||||||||
![]() |
4028DC | 150 | 210 | 69 | 146 | 249 | 8.80 | ||||||||||||||
![]() |
4030X3DC | 150 | 210 | 56 | 111 | 197 | 6.30 | ||||||||||||||
![]() |
4030X2D | 150 | 225 | 73 | 160 | 280 | 9.40 | ||||||||||||||
![]() |
4030X2DT | 150 | 225 | 73 | 160 | 280 | 9.40 | ||||||||||||||
![]() |
4030D | 150 | 225 | 75 | 160 | 280 | 9.60 | ||||||||||||||
![]() |
4030X3D | 150 | 230 | 70 | 160 | 280 | 11.5 | 305283DA | |||||||||||||
![]() |
3230X2D | 150 | 270 | 90 | 225 | 405 | 23.3 | ||||||||||||||
![]() |
4932X2DC | 160 | 215 | 56 | 97 | 166 | 8.60 | ||||||||||||||
![]() |
4932X3DC | 160 | 239.8 | 76 | 191 | 340 | 12.0 | ||||||||||||||
![]() |
3032X2D | 160 | 240 | 58 | 155 | 268 | 9.7 | ||||||||||||||
![]() |
4032D | 160 | 240 | 80 | 190 | 340 | 12.0 | ||||||||||||||
![]() |
4934X3DC | 170 | 230 | 56 | 105 | 162 | 7.00 | ||||||||||||||
![]() |
4034X3D | 170 | 259.5 | 84 | 208 | 385 | 15.0 | ||||||||||||||
![]() |
4034X2DC | 170 | 260 | 84 | 208 | 385 | 15.0 | ||||||||||||||
![]() |
4034D | 170 | 260 | 90 | 208 | 385 | 15.5 | ||||||||||||||
![]() |
4936X3DC | 180 | 250 | 70 | 166 | 320 | 9.20 | 305288DA | |||||||||||||
![]() |
4936X3D-1 | 180 | 259.5 | 60 | 134 | 269 | 11.0 | ||||||||||||||
![]() |
4936X3D | 180 | 259.5 | 66 | 180 | 340 | 11.0 | 305262D | |||||||||||||
![]() |
4936X2DC | 180 | 259.5 | 66 | 180 | 340 | 11.0 | ||||||||||||||
![]() |
4036X3DC | 180 | 259.5 | 80 | 180 | 340 | 14.5 | ||||||||||||||
![]() |
4036X3DC-1 | 280 | 92 | 237 | 450 | 19.7 | |||||||||||||||
![]() |
4936X3D | 259.5 | 66 | 180 | 340 | ||||||||||||||||
![]() |
4936X2DC | 259.5 | 66 | 180 | 340 | ||||||||||||||||
![]() |
4036X3DC | 259.5 | 80 | 180 | 340 | ||||||||||||||||
![]() |
4036X3DC-1 | 180 | 280 | 92 | 237 | 450 | |||||||||||||||
![]() |
4036X2DT | 180 | 280 | 92 | 237 | 450 | 19.7 | ||||||||||||||
![]() |
4036D | 180 | 280 | 100 | 237 | 450 | 24.0 | ||||||||||||||
![]() |
4938X3D | 190 | 269.5 | 66 | 183 | 290 | 12.5 | ||||||||||||||
![]() |
4938X3D | 190 | 269.5 | 66 | 183 | 290 | 12.5 | 305338DA | |||||||||||||
![]() |
4038DC | 190 | 290 | 92 | 245 | 480 | 23.0 | ||||||||||||||
![]() |
4038D | 190 | 290 | 100 | 245 | 480 | 26.2 | ||||||||||||||
![]() |
4940X3D | 200 | 279.5 | 76 | 206 | 400 | 15.0 | 305428D | |||||||||||||
![]() |
4940X3D | 200 | 279.5 | 76 | 206 | 400 | 15.0 | ||||||||||||||
![]() |
4940X3DC | 200 | 280 | 76 | 206 | 400 | 15.2 | ||||||||||||||
![]() |
4940X3DC-1 | 200 | 280 | 80 | 206 | 400 | 16.0 | ||||||||||||||
![]() |
4040X3D | 200 | 309.5 | 102 | 286 | 419 | 33.0 | ||||||||||||||
![]() |
4040X3DC | 200 | 310 | 96 | 286 | 458 | 29.5 | 305352 | |||||||||||||
![]() |
4040D | 200 | 310 | 109 | 286 | 458 | 33.1 | ||||||||||||||
![]() |
4944X3D | 220 | 309.5 | 76 | 225 | 455 | 22.1 | 305272DA | |||||||||||||
![]() |
4944X3D | 220 | 309.5 | 76 | 225 | 455 | 22.1 | ||||||||||||||
![]() |
4044X3D | 220 | 329.5 | 76 | 226 | 470 | 21.4 | ||||||||||||||
![]() |
4044X2DC | 220 | 340 | 112 | 309 | 502 | 34.6 | ||||||||||||||
![]() |
4044D | 220 | 340 | 118 | 310 | 670 | 33.5 | ||||||||||||||
![]() |
4946X1D | 230 | 329.5 | 80 | 242 | 500 | 23.5 | ||||||||||||||
![]() |
4946X1D | 230 | 329.5 | 80 | 242 | 500 | 23.5 | ||||||||||||||
![]() |
4946X3 | 230 | 329.5 | 80 | 242 | 500 | 23.5 | ||||||||||||||
![]() |
4946X3D | 329.5 | 80 | 242 | 500 | ||||||||||||||||
![]() |
4048X1D | 240 | 359.5 | 118 | 315 | 700 | 44.0 | ||||||||||||||
![]() |
4048D | 240 | 360 | 118 | 315 | 700 | 44.0 | ||||||||||||||
![]() |
4048X3D | 240 | 370 | 112 | 315 | 700 | 46.0 | ||||||||||||||
![]() |
4952X2D | 260 | 360 | 92 | 264 | 587 | 29.3 | ||||||||||||||
![]() |
4952X3D | 260 | 369.5 | 92 | 270 | 600 | 30.5 | 305270D | |||||||||||||
![]() |
4952X3DC | 260 | 400 | 130 | 436 | 735 | 56.0 | 305174B | |||||||||||||
![]() |
4052D | 260 | 400 | 140 | 436 | 735 | 60.0 | ||||||||||||||
![]() |
4956X3D-1 | 280 | 389.5 | 92 | 305 | 715 | 35.0 | 305269D | |||||||||||||
![]() |
4956X3D-1 | 280 | 389.5 | 92 | 305 | 715 | 35.0 | ||||||||||||||
![]() |
4956X3DC | 280 | 389.5 | 92 | 310 | 745 | 35.0 | ||||||||||||||
![]() |
4956X3D | 280 | 390 | 92 | 305 | 715 | 40.0 | ||||||||||||||
![]() |
4956X3D | 390 | 92 | 340 | 720 | 40.0 | |||||||||||||||
![]() |
4056X3DC | 420 | 130 | 383 | 706 | 60.1 | |||||||||||||||
![]() |
4056D | 280 | 420 | 140 | 410 | 678 | 64.2 | ||||||||||||||
![]() |
4960X3D | 300 | 419.5 | 112 | 360 | 678 | 50.5 | ||||||||||||||
![]() |
4960X3DC | 300 | 459.5 | 100 | 425 | 820 | 66.5 | ||||||||||||||
![]() |
4060X2D | 300 | 460 | 148 | 425 | 820 | 84.4 | ||||||||||||||
![]() |
4060X2DC | 300 | 460 | 148 | 425 | 820 | 84.4 | ||||||||||||||
![]() |
4060D | 300 | 460 | 160 | 425 | 820 | 101 | ||||||||||||||
![]() |
4064X3D | 320 | 459.5 | 140 | 400 | 1020 | 80.0 | ||||||||||||||
![]() |
4064X3D | 320 | 459.5 | 140 | 400 | 1020 | 80.0 | ||||||||||||||
![]() |
4064D | 320 | 480 | 160 | 505 | 1360 | 98.0 | ||||||||||||||
![]() |
4968X2D | 340 | 460 | 112 | 448 | 1060 | 54.0 | ||||||||||||||
![]() |
4068D | 340 | 520 | 180 | 600 | 1720 | 131 | ||||||||||||||
![]() |
4068D | 340 | 520 | 180 | 600 | 1720 | 131 | ||||||||||||||
![]() |
4972X2D | 360 | 480 | 112 | 488 | 1100 | 57.0 | ||||||||||||||
![]() |
4072X2D | 360 | 540 | 164 | 741 | 1700 | 125 | ||||||||||||||
![]() |
4976X2D | 380 | 520 | 130 | 420 | 1170 | 83.0 | ||||||||||||||
![]() |
4076X2D | 380 | 560 | 164 | 468 | 1520 | 133 | ||||||||||||||
![]() |
4980X2D | 400 | 540 | 130 | 530 | 1210 | 84.0 | ||||||||||||||
![]() |
4080X2D | 400 | 600 | 180 | 952 | 2000 | 170 | ||||||||||||||
![]() |
4984X2D | 420 | 560 | 130 | 590 | 1300 | 89.0 | ||||||||||||||
![]() |
4084X2D | 420 | 620 | 180 | 870 | 2100 | 177 | ||||||||||||||
![]() |
4088X2D | 440 | 650 | 188 | 720 | 2340 | 200 | ||||||||||||||
![]() |
4992X2D | 460 | 620 | 148 | 810 | 2000 | 116 | ||||||||||||||
![]() |
4092X2D | 460 | 680 | 200 | 1100 | 2800 | 240 | ||||||||||||||
![]() |
4096X2D | 480 | 700 | 200 | 1000 | 2600 | 240 | ||||||||||||||
![]() |
49/500X2D | 500 | 670 | 156 | 860 | 2400 | 156 | ||||||||||||||
![]() |
40/500X2D | 500 | 720 | 200 | 1020 | 2700 | 260 | ||||||||||||||
![]() |
49/530X2DC | 530 | 760 | 200 | 815 | 2890 | 275 | ||||||||||||||
![]() |
40/530X2DC | 530 | 780 | 224 | 930 | 3380 | 335 | ||||||||||||||
![]() |
49/560D | 560 | 750 | 190 | 950 | 2500 | 230 | ||||||||||||||
![]() |
40/560X2D | 560 | 820 | 230 | 900 | 2100 | 390 | ||||||||||||||